
- ADDRESS
- (17556) 京畿道安城市元谷面新址1街55-21
- TEL
- +82-31-651-0940
介绍(股份公司)REGEN的产品。
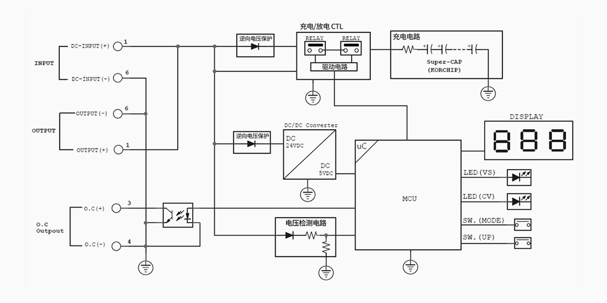
REGEN GVS Series DC瞬间停电补偿器在发生瞬间停电(瞬时电压下降)时,
通过在一定时间(0.5 至 5.0 秒)内提供在内部 ELDC(SUPERCAP)中存储的DC电压来保
护自动化设备,并消除Chattering现象,提供电弧,可防止Arc及Surge对设备造成损害。
[之所以与现有的瞬间静电不同,是因为它配置了Regen新的内部Block Diagram,
并使用了以前没有使用过的Super Condenser。同时,此前Super Condenser的容量非常不足,
因风险并未使用,但通过技术升级,增加了容量,消除了风险。

| Model | LOAD | Buffering Time(sec) |
|---|---|---|
| GVS-1200 | 1 A | 8 |
| 2 A | 4 | |
| 3 A | 2.68 | |
| 4 A | 2 | |
| 5 A | 1.68 | |
| 6 A | 1.16 | |
| GVS-1200R | 1 A | 55.4 |
| 2 A | 25.8 | |
| 3 A | 21.5 | |
| 4 A | 12.4 | |
| 5 A | 9.64 | |
| 6 A | 7.64 |

| 适用领域 | 适用设备 | 作用 | 相应STARCAP产品 |
|---|---|---|---|
| IT,Consumer Electronics | Smart Phones, PDA, Digital Camera, SSD, Hand Tools, Home Electronics GPS Modem |
Coin Type, Radial Type, Mold Type, TR |
Coin Type, Radial Type, Mold Type, TR |
| Industies, Engery | Machine Controllers, PLC, Meters Wind Turbine, ESS |
RTC Back-up, Memory Back-up, Power Assist, Regenerative Power, Energy Storage, Emergency Power |
Coin Type, Radial Type, Mold Type, Rug Type |
| Transportation | Car DVR, Car Audio Idle Stop and Go Voltage Stabilizer, e-Call System, Hybrid Car, Engine Cranking |
Power Assist, Regenerative, Power Memory Back-up |
Coin Type, Radial Type, Rug Type |
RREGEN RGVS Series RG-2000 瞬间停电补偿器即使在 0.5 至 1 秒内发生
瞬间电压下降或 0V的瞬间停电时,也能在2ms以内的极短时间以现有正常电
压供电,从而保护因驱动装置的电力质量问题导致设备瘫痪的敏感设备与装备,
并可以从瞬时电压下降或瞬时停电中最大程度地减少顾客的损失。
同时,REGEN的AC三相瞬间停电补偿器以不使用Transfer的方式将外部尺寸大幅减少,
并具有可按顾客定制的方式来进行的非常简便的安装方式。
