본문 바로가기 주메뉴 바로가기
미래의 변화와 꿈 그중심에 ㈜리잰이 있습니다.

PRODUCT

제품소개

(주)리잰의 제품을 소개합니다.

PRODUCT 06

순간정전 보상기

DC 순간정전 보상기

DC 순간정전 보상기 제품소개

REGEN GVS Series DC순간정전 보상기는 순간정전(순간전압강하) 발생시 내부 ELDC
(SUPERCAP)에 저장된 DC전압을 일정시간(0.5~5.0sec) 공급하여 자동화 장비를 보호하고
Chattering 현상을 제거하여 설비에 Arc 및 Surge로 부터 피해를 방지 할 수 있습니다.

[기존 순간 정전기와 차이를 보이는 이유는 Regen의 새로운 내부 Block Diagram을 구성하고
이전에 사용하지 못했던 Super Condenser를 사용하기 때문입니다.
한편 이전에 Super Condenser는 용량이 많이 부족했고 위험성이 있어 사용하지 못했지만
기술 Upgrade로 용량 증가와 위험성을 제거했습니다

DC 순간정전 보상기 Specifications

Model LOAD Buffering Time(sec)
GVS-1200 1 A 8
2 A 4
3 A 2.68
4 A 2
5 A 1.68
6 A 1.16
GVS-1200R 1 A 55.4
2 A 25.8
3 A 21.5
4 A 12.4
5 A 9.64
6 A 7.64

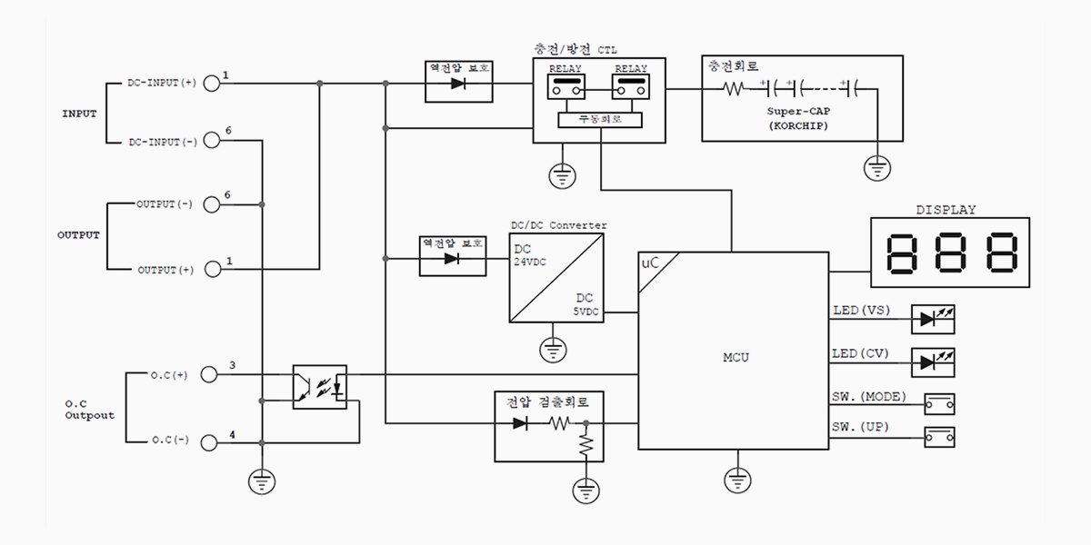
DC 순간정전 보상기-내부 Block Diagram

DC 순간정전 보상기-적용 분야

적용 분야 적용 기기 역할 해당 STARCAP 제품
IT,Consumer Electronics Smart Phones, PDA, Digital Camera,
SSD, Hand Tools, Home Electronics
GPS Modem
Coin Type, Radial Type,
Mold Type, TR
Coin Type, Radial Type,
Mold Type, TR
Industies, Engery Machine Controllers, PLC,
Meters Wind Turbine, ESS
RTC Back-up, Memory Back-up,
Power Assist, Regenerative Power,
Energy Storage, Emergency Power
Coin Type, Radial Type,
Mold Type, Rug Type
Transportation Car DVR, Car Audio Idle Stop and Go
Voltage Stabilizer, e-Call System,
Hybrid Car, Engine Cranking
Power Assist, Regenerative,
Power Memory Back-up
Coin Type, Radial Type,
Rug Type

AC 삼상 순간정전 보상기

AC 삼상 순간정전 보상기 제품소개

REGEN RGVS Series RG-2000 순간정전 보상기는 0.5~1초 이내 순간적으로 발생하는
전압 강하 또는 0V의 순간정전이 발생하여도 2ms이내의 아주 짧은 시간에 기존의 정상 전압으로
전력을 공급함으로써 장치를 구동하는 전력 품질 문제로 장비가 Down되는 민감한 설비 및 장비를
보호하며 순간전압강하 또는 순간정전으로부터 고객의 피해를 최소화 할 수 있다.

한편 리잰의 AC 삼상 순간 정전보상기는 Transfer를 사용하지 않는 방식으로 외장 Size를
큰 폭으로 줄였고 고객의 Customizing 방식으로 아주 간편하게 장착 할 수 있는 방식을 가지고 있다.

TOP